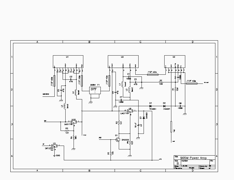
| GBPPR 900 MHz High Speed Packet Radio |
| EXPERIMENTAL |
Another experimental 900 MHz packet radio. Should handle Manchester or G3RUH modulation from 38 kbps up to 115.2 kbps.
None of this has been built yet until I can figure out a few bugs.
Does NOT contain the serial (RS-232) encoding, as I have no idea how to do that. Use the linux soundmodem stuff.
Schematics
Datasheets
- Fujitsu MB506 Prescaler (65k PDF)
- Z-Comm V580MC05 VCO (168k PDF)
Notes
Knowledge is Power