Group 42 Sells Out!

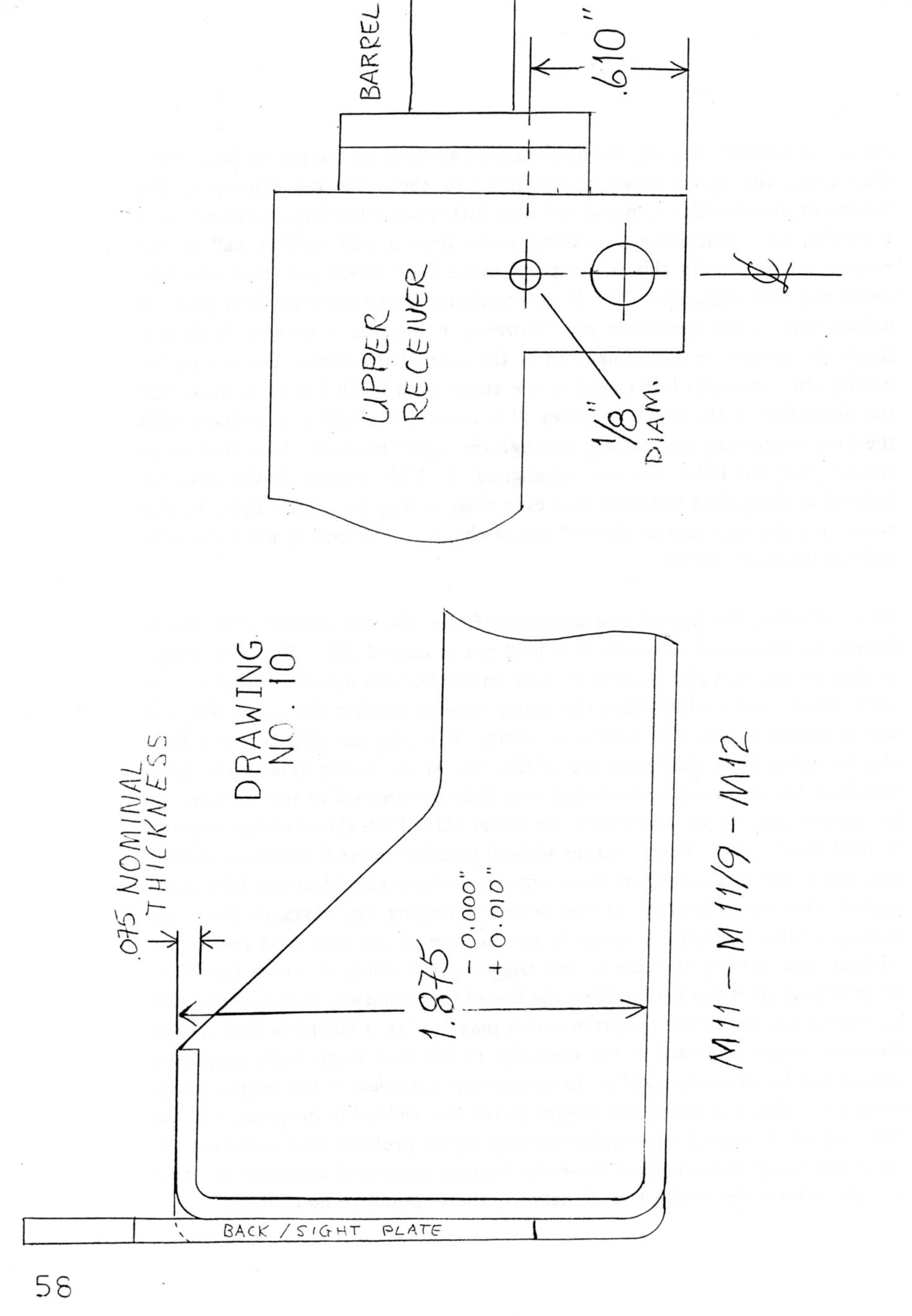
The M11/9

Wheats Weapons Project, Group 42


Introduction

The M12/386 is the same gun as the MAC II, although a few changes exist to stisfy the BATF that the gun wil remain semi auto. The M11/9 gets it's name from the conversion of the former model II, a .380 open bolt selective fire gun to 9mm semi-automatic. It should be noted that the M11/9 and the M12/380 function is identical except that the M11/9 is 9mm and the M12/.380 chambers .380 rounds.

Building The M11/9 (and M12/380)

This document will cover the construction of the lower receiver only since M11/9 and M12/380 parts kits are avalable from MAC, RPB and/or Cobray (see sources or look in Shotgun News.) The lower Receiver is the only part of this gun that the BATF considers a gun so all the other parts may be sold without forms or waiting periods. It should be noted that unformed, unwelded lower receiver blanks are also available fro various companies.

Diagrams

  • Exploded View of Parts.
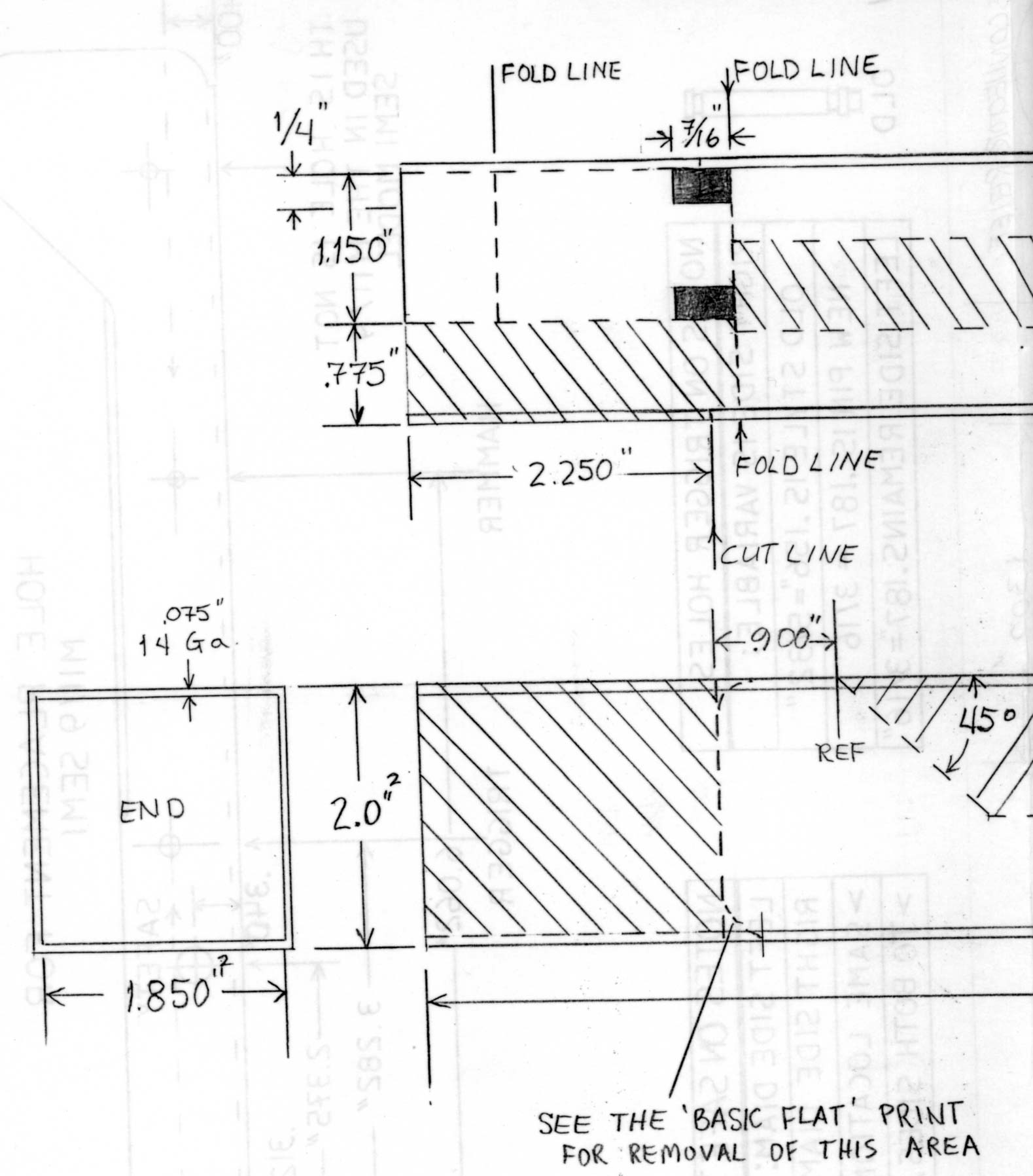
  • Forming the Lower Receiver Diagram.
  • Lower Receiver Side View with Holes and Cuts.
  • Hole Placement.
  • Cutting a Lower Receiver for Square Tubeing.
  • More Lower Receiver from Square Tubeing.
  • Yet More Lower Receiver for Square Tubeing.
  • Cutting Diagrams.

    HOME | GROUP 42 | DISCLAIMER | HELP
    Copyright © 1984-1996, Group 42