Project: DDI


Introduction

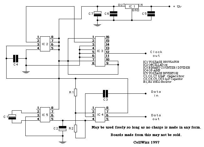
A Digital Data Interpretor (DDI) decodes digital computer transmissions encoded on an audio signal and interprets the digital data as cellular commands. The input to the DDI is an audio signal usually from a scanner. The output from the DDI is plain text over a standard serial data stream at 9600 baud.

The DDI enables you to grab ESN/MIN pairs, usually about eight per minute. Before we go on heres a list of equipment which you will need.

1. Some sort of PC (of course)
2. DDI Box
3. Scanner which can recieve the cell band
4. Suitable software
I have collated a number of drawings and documents to help you along the way. These design are totally untested. I would appreciate any feedback.

Various text files & Schematics

Dave X - Guide to DDI
Dave X - Guide to DDI (2nd revision)
Untested schematics[scheme1.zip - MISSING]
More untested schematics
Nicegrab Version 2
 More DDI software coming soon 

All of the above circuits have not been tested yet, I would appreciate any feedback about the designs.