
Hardware interface
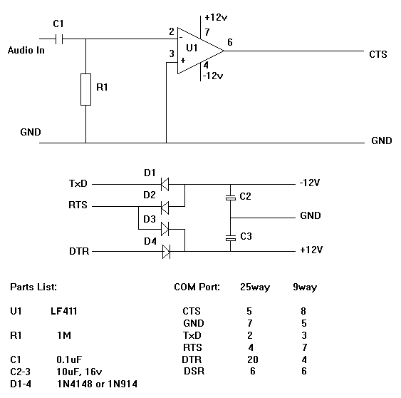
Here is the most basic 2 level
FSK decoder.
This will decode POCSAG, but will not reliably
decode FLEX
without being connected via the discriminator output .
Download this List of Discriminator Outputs

Another 2-Level design

L0PHT Circuit board design for first circuit

Second circuit mounted in 9-pin

Here is The all bells and whistles 4 level Decoder
Printed Circuit board design
