Pager Hardware Reprogramming & Paging Protocols
Paging System Descriptions and Protocols
Paging Decoding Hardware and Software
- SemaSoft 1.15 Decode POCSAG with your sound card.
- SemaSoft - 16 bit Cripple ware, only decodes 512 bps POCSAG.. pretty useless but here for history.
- POC32 Decode POCSAG protocol with sound card, this is a good ware.
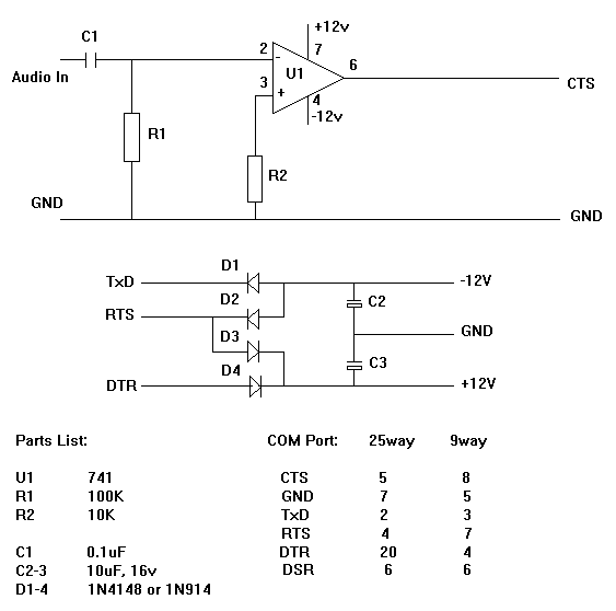
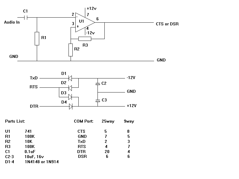
- Simple Circuit Build this Data Slicer to pipe scanner Audio/Discriminator output into your Parallel port on a PC.
- Data Slicer Circuit to also pump recieved POCSAG data into your PC parallel port.
- PD203 Very easy to use shareware. This version gives you 15 minutes to play. Use circuit above.
- Discriminator_Mod Read and learn why it is better to tap received POCSAG data from FM discriminator output instead of using straight audio from scanner.
- Bravo Pager Plans to use existing Bravo pager Reciever board to receive POCSAG data.
- PE200 MS-DOS program to encode POCSAG, must have transmit capabilities.
Pager (Re)Programming